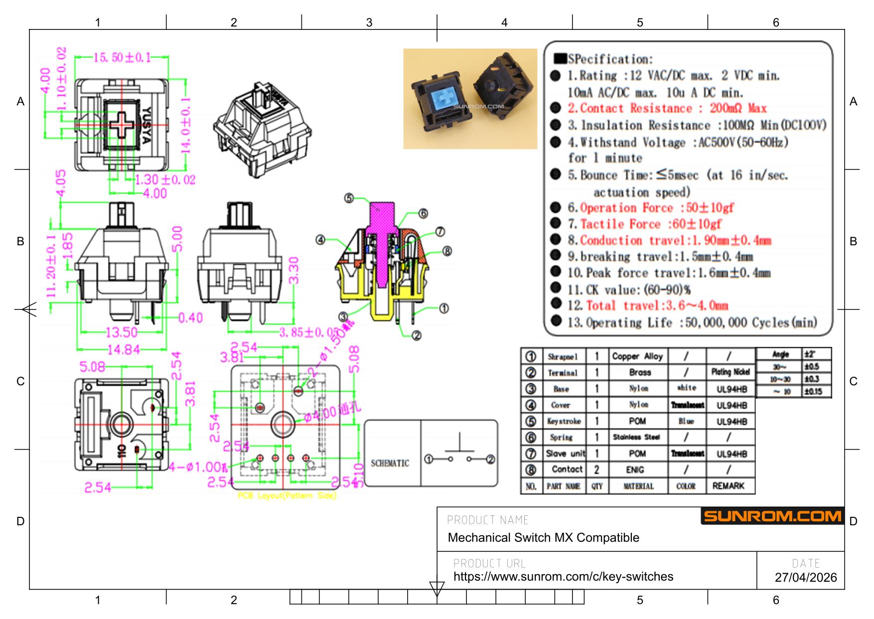
Equivalent to Cherry MX Series, good quality and low cost
Blue switches are clicky and tactile, providing a more pronounced click and bump, which some typists and gamers prefer.
Sunrom Group is the foremost online e-commerce store since 2004, providing innovative embedded systems & components. Our aim is to empower you to Make In India. We work closely with electronics manufacturing companies & individuals to understand & solve the challenges faced during production. We do not just sell things, We use them ourselves in our products, and provide you with high quality tested components for trouble free experience. Our group consist of three companies.
