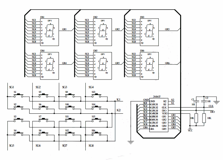
With just 2 IO from MCU you can control up to 6 seven segment and read 16 switches
TM1637 Typical Schematic

Sunrom Group is the foremost online e-commerce store since 2004, providing innovative embedded systems & components. Our aim is to empower you to Make In India. We work closely with electronics manufacturing companies & individuals to understand & solve the challenges faced during production. We do not just sell things, We use them ourselves in our products, and provide you with high quality tested components for trouble free experience. Our group consist of three companies.
